什么是微波What is a microwave
微波是指頻率在300MHz-300GHz 之間的電磁波,是無線電波中一個有限頻帶的簡稱。微波的基本性質通常呈現為穿透、反射、吸收三個特性。對于玻璃、塑料和瓷器,微波具有一定的穿透能力。對于水和食物等就會吸收微波而使自身發熱。而對金屬類東西,則會反射微波。
微波探測原理Principle of microwave detection
微波感應器主要是運用微波多普勒效應Doppler Effect 原理實現。微波輻射的波長因為波源和觀測者的相對運動而產生變化。在面向波源運動時,微波被壓縮,波長變得較短,頻變得較高; 在與波源相反方向運動時,波長變得較長,頻率變得較低; 運動的速度越高,所產生的頻差效應越大,多普勒效應造成的發射和接收的頻率之差稱為多普勒頻移; 微波感應器就是利用檢測多普勒頻率的變化來實現的。

基本功能Basic functions of microwave control system


注∶DALI系統最多可以連接64個從機單元,每個DALI從機使用唯一的個體標志地址,該地址在系統初始化時設定使用過程中根據需求可修改從機的地址;每個DAL系統最多可以設置16個分組,16個場景,從機單元可以同時被分配到多個組別,每個從機可以屬于幾個不同的組。
根據不同的線材導體材料與線徑,銅線,1.5MM 規格,最長傳輸距離可達300米。鋁線,2.5MM 規格,最長傳輸距離可達300米。另外還要考慮工作溫度的影響,如果工作溫度達到75°C,銅線的最長傳輸距離會降到281M,而鋁線則會降到288M。
附加功能Additional features

應用案例Applications
汽機房區域照明
1. 定時控制:所有燈具設置定時任務;
2. 單燈控制:發電機層高頂燈,每盞燈具都做單燈控制,實現單燈開關、調光,并在后臺可以實時監測該燈具的使用情況,包括燈具的功率、電流、電壓等電氣參數;
3. 照度感應控制:設置經緯度定時任務,夜間無人工作時燈具30% 功率工作;同時在合適的位置安裝照度感應器,設置定時任務當照度感應器檢測周圍環境照度低于設定值時,汽機房內三防燈具100% 照明, 高于設定值時,照明燈具關閉;
4. 情景模式控制:后臺設置情景模式:巡檢模式,定時進入/ 退出巡檢模式,進入巡檢模式燈具100% 功率工作,退出巡檢模式燈具30% 功率工作,可按日、周、月、年等循環。
化水處理區域照明
化水區域分為室內、室外區域:
1. 照度感應控制:室外區域采用光控模式,照度低于設定值時,室外區域100% 照明, 高于設定值時,室外區域照明關閉;
2. 雷達感應控制:室內區域設置雷達感應控制,并將每條回路都安裝單燈具控制器,當有人進入該區域時,設置將該區域全部燈具100% 功率工作,人員離開該區域后燈具100% 功率延時30 分鐘時間后,自動降低為30%功率。
煤棚區域照明
1. 單燈控制:煤棚區域所有燈具做單燈控制,采用時控+ 光控模式;并在后臺可以實時監測該燈具的使用情況,包括燈具的功率、電流、電壓等電氣參數, 系統能主動發現燈具故障并報警,單燈欠載、欠壓、過載、異常開燈等自動告警提示;
2. 照度感應控制:設置經緯度定時控制任務,根據當地的日落時間前推半個小時自動開燈,另加入照度傳感器,采集照度高于設定值時,煤棚區域所有燈具關閉運行。
輸煤廊道區域照明
1. 情景模式控制:輸煤廊道區域所有照明燈具均編制在情景模式下,巡檢時間段采用巡檢常亮模式燈具100% 功率運行,非巡檢時間切換為無人節能模式燈具30% 功率運行;
2. 監控聯動控制:現場安裝人員檢測攝像頭,當有人進入該區域時經人員識別后,設置將該區域全部燈具100% 功率工作,開啟巡檢模式。當人員離開該區域后燈具100% 功率延時30 分鐘時間后,自動降低為30% 功率。
鍋爐本體區域照明
鍋爐區受振動大、溫度高等惡劣因素,推出制定方案:
1. 單燈控制:該區域的所有照明回路都設置為單燈控制;
2. 照度感應控制:鍋爐本體17 米層以上區域燈具設置為光控模式,照度低于設定值時,鍋爐本體17 米層以上燈具30% 功率運行,高于設定值時燈具可自動關閉。
3. 定時控制:17 米以下燈具設置時控模式設置定時任務,以當地日落時間為依據往前推半個小時設置定時任務,在定時開燈兩個小時后所有燈具進入半功率30% 工作;
4. 觸摸屏控制:鍋爐區域在0 米處電梯口安裝工業級觸控屏,用來控制鍋爐本體區域所有的照明燈具,巡檢或檢修時可隨手在觸摸屏面板點擊對應的按鍵,從而進入對應的情景模式;
巡檢模式:當點擊巡檢健時進入檢修模式,該區域燈具100% 功率工作并延時一段30 分鐘時間后,自動降低為30% 功率;
檢修模式:該區域燈具100% 功率工作,在不手動關閉檢修模式的情況下燈具一直保持100% 功率工作,保障檢修工作順利安全地完成。
工程實例
華電西藏大古水電站智能照明改造項目
華能銅頭電站智能照明改造項目
中水電楊家灣電站智能照明改造項目
大唐四川川匯水電仙女堡水電站智能照明改造項目
大唐四川金龍潭水電站智能照明改造項目
張家港沙鋼集團廠房照明改造項目
湖南華菱漣源鋼鐵燈具改造項目
國電海南西南部電廠項目
大同冀中水泥照明改造項目
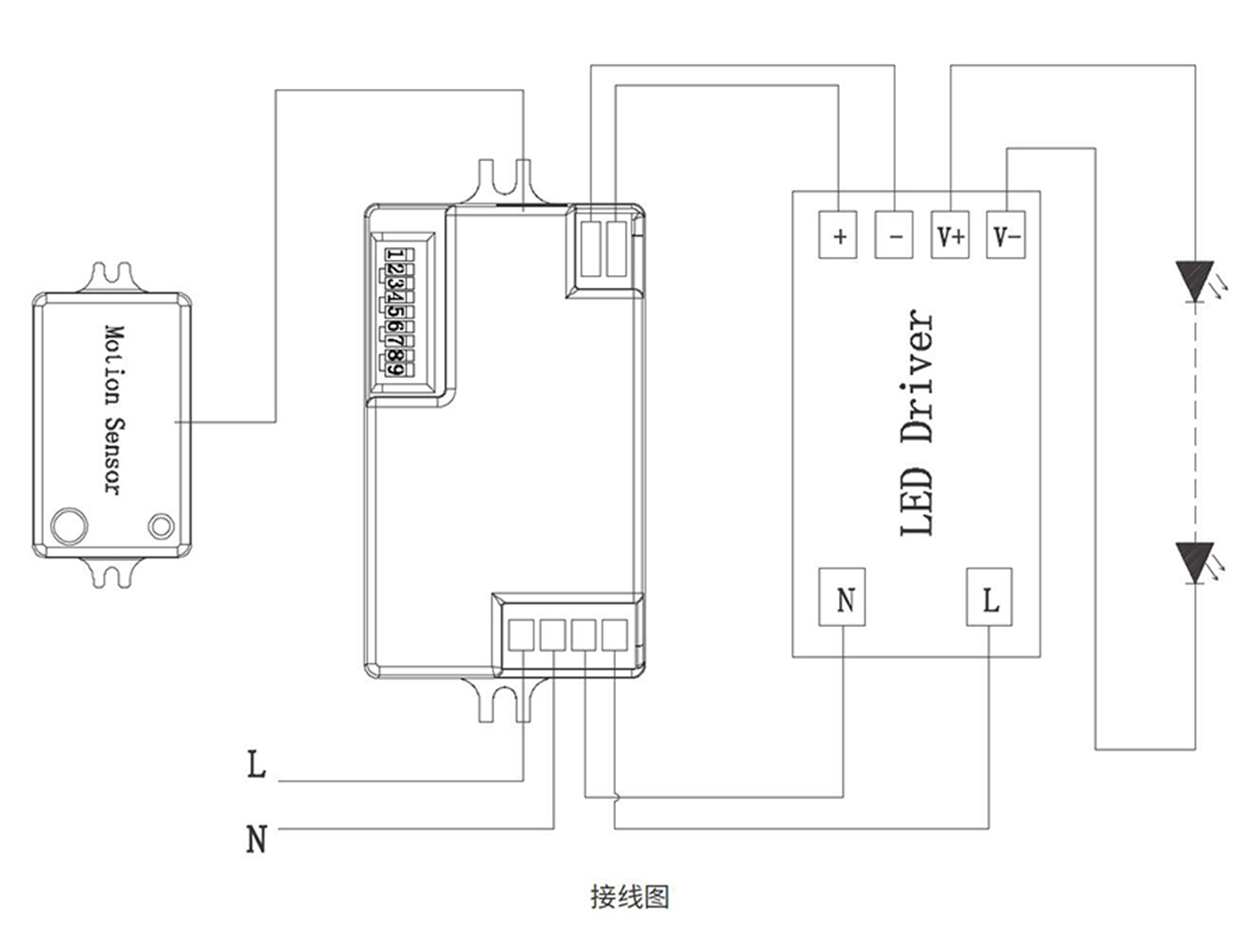
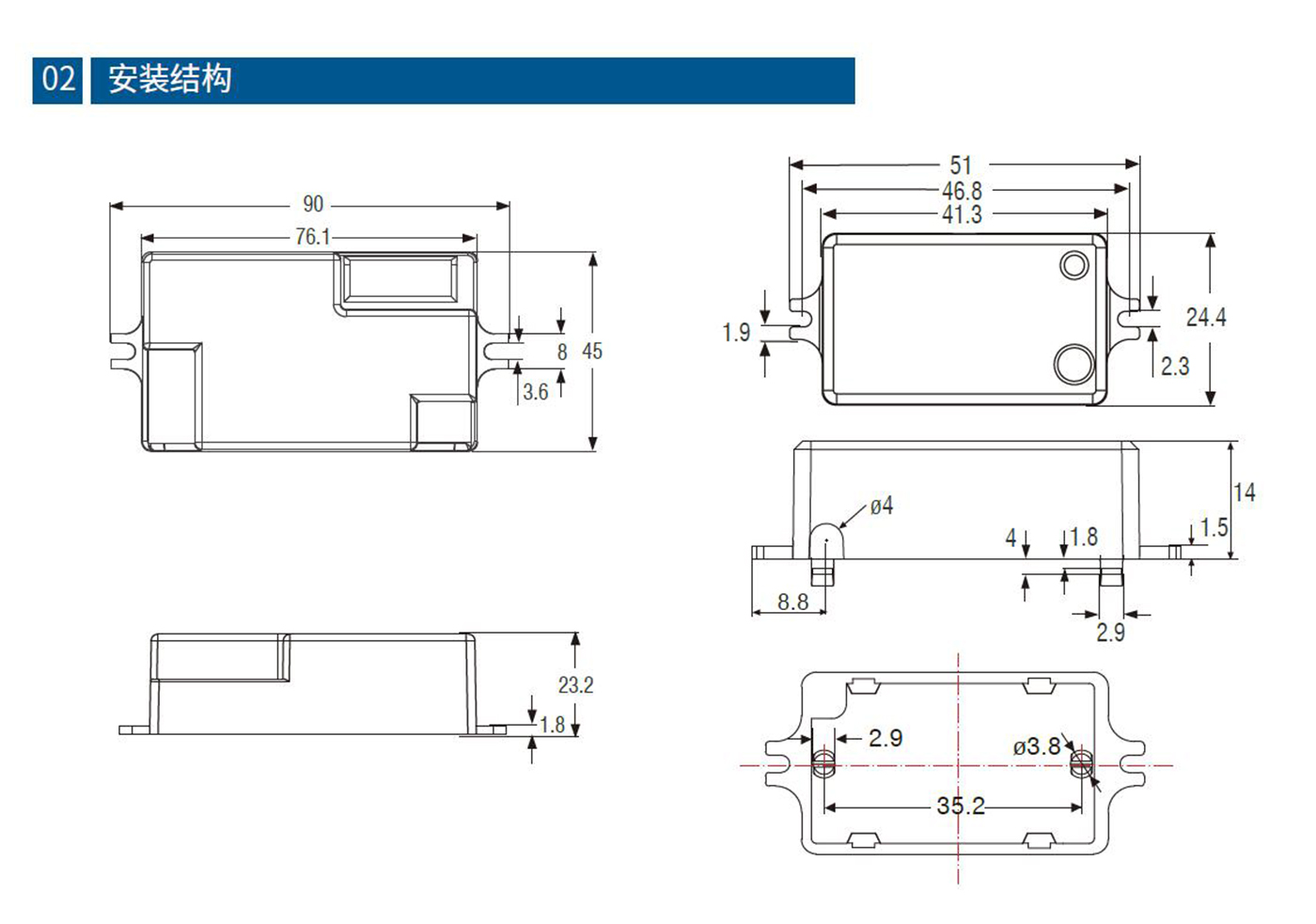
智能控制器smart controller






